首页
关于知融
公司简介
荣誉资质
办公环境
产品中心
波束成形器
波束成形器
波束成形器
低噪声放大
驱动&功率
GaN 功率
有源混频器
芯片定制开
新闻资讯
公司新闻
行业新闻
加入我们
社会招聘
校园招聘
联系我们
首页
关于知融
产品中心
新闻资讯
加入我们
联系我们
首页
>
产品中心
>
低噪声放大器(LNA)
>
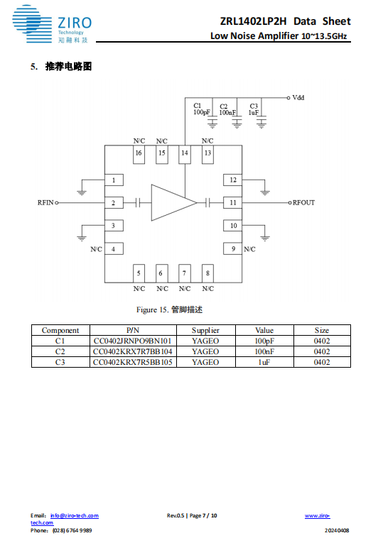
低噪声放大器 ZRL1402LP2H
日期:2023-04-27 17:28:35 浏览次数:
文件下载
上一条
低噪声放大器 ZRL1402
下一条
低噪声放大器 ZRL1304